Menu
-
Menu
-
Kategorie
-
-
- Drzwi do wind
- Wciągarki / zespoły napędowe
- Prowadnice dźwigowe
- Koła zdawcze / przewojowe
- Liny / pasy i łańcuchy
- Ograniczniki prędkości i obciążki
- Chwytacze dźwigowe
- Zderzaki
- Prowadniki i smarownice
- Kable
- Kurtyny świetlne / fotokomórki
- Systemy ważące
- Czujniki do wind
- Rezystory hamujące
- Enkodery
- Wyposażenie szybu
- Falowniki dźwigowe
- Wyposażenie kabiny
- Elektrotechniczne
- Części do starych dźwigów
- Części do dźwigów hydraulicznych
- Kasety wezwań / dyspozycji
- Obudowy i szafy sterownicze
-
-
- Producenci
- Nowości
- Aktualności
- O nas
- Kontakt
Prowadnica GF770 70x70x9 mm 2,5 m
Numer katalogowy: 000091
Producent:
GF770
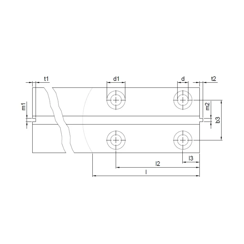
| GF | b1 | h1 | h | k | n | c | g | v | m1 | m2 |
| mm | 70 | 70 | - | 9 | 35 | 8 | - | 10 | 3 | 2,95 |
| t1 | t2 | d | d1 | l | b2 | b3 | l1 | l2 | l3 | |
| mm | 3,5 | 3 | 13 | - | 123 | 75 | 43 | 240 | 90 | 30 |
Powiązane produkty
Poprzedni
keyboard_arrow_left
Następny
keyboard_arrow_right


Poprzedni
keyboard_arrow_left
Następny
keyboard_arrow_right



Cookies