Menu
-
Menu
-
Kategorie
-
-
- Drzwi do wind
- Wciągarki / zespoły napędowe
- Prowadnice dźwigowe
- Koła zdawcze / przewojowe
- Liny / pasy i łańcuchy
- Ograniczniki prędkości i obciążki
- Chwytacze dźwigowe
- Zderzaki
- Prowadniki i smarownice
- Kable
- Kurtyny świetlne / fotokomórki
- Systemy ważące
- Czujniki do wind
- Rezystory hamujące
- Enkodery
- Wyposażenie szybu
- Falowniki dźwigowe
- Wyposażenie kabiny
- Elektrotechniczne
- Części do starych dźwigów
- Części do dźwigów hydraulicznych
- Kasety wezwań / dyspozycji
- Obudowy i szafy sterownicze
-
-
- Producenci
- Nowości
- Aktualności
- O nas
- Kontakt
Prowadnica T70-1/B 70x65x9 mm 2,5 m
- Dostępne na zamówienie
Numer katalogowy: 001105
Producent:
GM765 - T 70-1/B
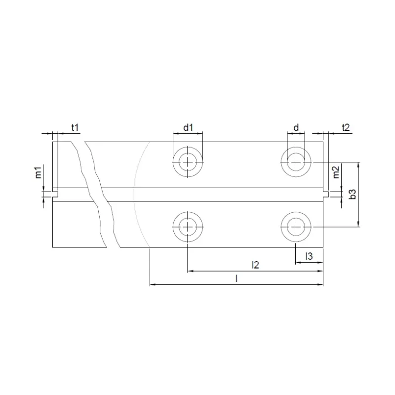
| GM | b1 | h1 | h | k | n | c | g | f | m1 | m2 |
| mm | 70 | 65 | 64 | 9 | 34 | 6 | 6 | 8 | 3 | 2,97 |
| t1 | t2 | d | d1 | l | b2 | b3 | l1 | l2 | l | |
| mm | 3,5 | 3 | 13 | 26 | 128 | 70 | 42 | 250 | 105 | 25 |
Powiązane produkty
Poprzedni
keyboard_arrow_left
Następny
keyboard_arrow_right


Poprzedni
keyboard_arrow_left
Następny
keyboard_arrow_right




Cookies