Menu
-
Menu
-
Kategorie
-
-
- Drzwi do wind
- Wciągarki / zespoły napędowe
- Prowadnice dźwigowe
- Koła zdawcze / przewojowe
- Liny / pasy i łańcuchy
- Ograniczniki prędkości i obciążki
- Chwytacze dźwigowe
- Zderzaki
- Prowadniki i smarownice
- Kable
- Kurtyny świetlne / fotokomórki
- Systemy ważące
- Czujniki do wind
- Rezystory hamujące
- Enkodery
- Wyposażenie szybu
- Falowniki dźwigowe
- Wyposażenie kabiny
- Elektrotechniczne
- Części do starych dźwigów
- Części do dźwigów hydraulicznych
- Kasety wezwań / dyspozycji
- Obudowy i szafy sterownicze
-
-
- Producenci
- Nowości
- Aktualności
- O nas
- Kontakt
Prowadnica T89/B 89x62x16 mm 2,5 m
Numer katalogowy: PRO000013
Producent:
GM890 - T 89/B
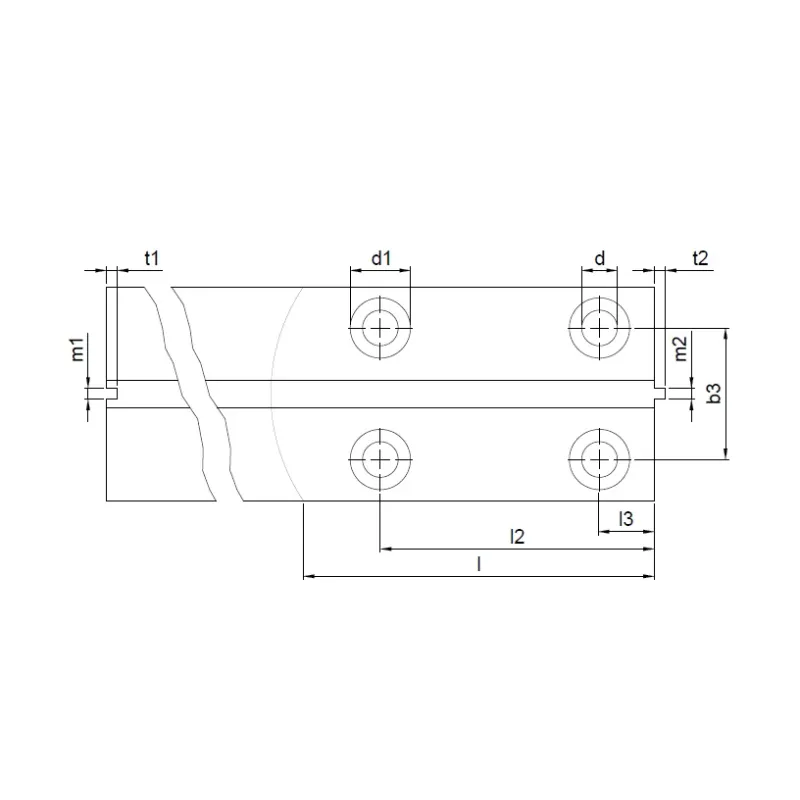
| GM | b1 | h1 | h | k | n | c | g | f | m1 | m2 |
| mm | 89 | 62 | 61 | 16 | 34 | 10 | 7,9 | 11,1 | 6,4 | 6,37 |
| t1 | t2 | d | d1 | l | b2 | b3 | l1 | l2 | l | |
| mm | 7,14 | 6,35 | 13 | 26 | 156 | 90 | 57,2 | 305 | 114,3 | 38,1 |
Powiązane produkty
Poprzedni
keyboard_arrow_left
Następny
keyboard_arrow_right


Poprzedni
keyboard_arrow_left
Następny
keyboard_arrow_right





Cookies